基于航顺芯片HK32F030的学习板
简介:航顺HK32F030的开发学习板,验证该芯片功能开源协议: GPL 3.0
描述
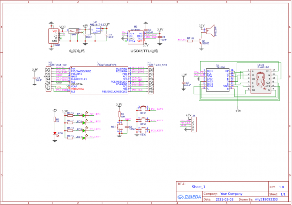
学习板有4位数码管,一个蜂鸣器,三个按键电路,4个LED,IO口全部引出。 数码管显示正常,KEY1控制蜂鸣器,KEY2和KEY3控制四个LED灯的亮灭。 可以用来做电子钟,具有闹钟、秒表等功能。
设计图
原理图

PCB

基于航顺HK32F030的开发学习板
如需要了解更多航顺MCU产品,请联系航顺核心代理商,颖特新科技,或者扫码联系我们!

在之前的介绍中,我们也为大家介绍了《基于航顺芯片MCU&涂鸦模组的物联网定时器时钟》,也是目前我们主推的非常成熟的解决方案!

编辑:zzy 最后修改时间:2022-06-21


