航顺MCU-RTC PC13 推挽输出时会影响LSE精度
RTC PC13 推挽输出时会影响LSE 精度描述:
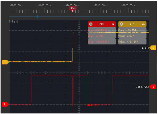
当RTC 使用LSE 作为时钟,并使用PC13 作为信号输出时。每次输出的上升沿(如下图), 都会有干扰耦合到LSE 上,导致LSE 多产生一次时钟。进而导致RTC 计
时不准。同样, 秒脉冲输出和闹钟输出时都会有同样的影响。
//例如,
当RTC calibration 按照64 分频输出512Hz 信号时,实际会因为这个原因输出520Hz 左右。偏差约1.5%。

当RTC calibration 输出1Hz 秒脉冲时, 会偏差1/32768 = 30.5ppm。这个偏差只会在Calibration 输出时有, 关闭输出后, LSE 精度恢复正常。
这会导致Calibration 不准。
解决方案:
(硬件解决方案) :
在PC13 上对VBAT 脚并连一个>=103(0.01uF)的电容. 会略微改变输出边沿.


如需要了解更多航顺MCU产品,请联系航顺核心代理商,颖特新科技,或者扫码联系我们!

在之前的介绍中,我们也为大家解读了《航顺芯片HK32F030M复用SWD为通用GPIO》

编辑:zzy 最后修改时间:2022-05-16


