航顺芯片HK32F030MF4P6应用于流水灯
描述基于航顺HK32F030MF4P6的开发板,引出所有接口,还有三组led灯,方便初学者学习流水灯等入门程序。在提供的参考点灯程序上,利用板子上已有的三组led制作了流水灯。

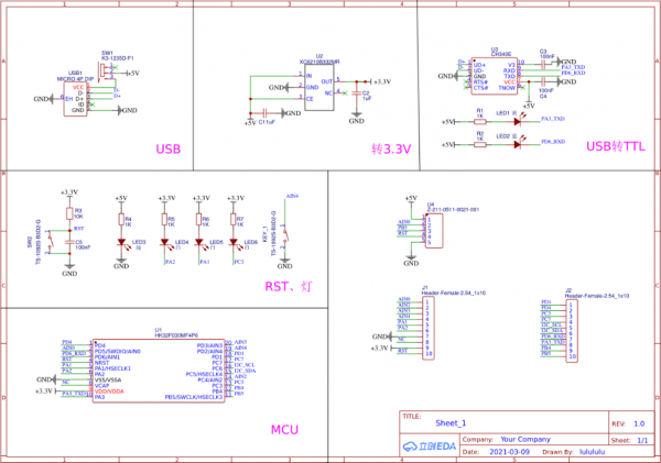
设计原理图

PCB

如需要了解更多航顺MCU产品,请联系航顺核心代理商,颖特新科技,或者扫码联系我们!

在之前的介绍中,我们也为大家介绍了《航顺芯片HK32F103C8T6应用于蓝牙遥控电机驱动板的设计》,也是目前我们主推的非常成熟的解决方案!

编辑:zzy 最后修改时间:2022-06-23


