航顺芯片HK32F103C8T6开发板
简介:基于航顺HK32F103C8T6,制作的一块开发板,集成MCU的基本通用外设开源协议: GPL 3.0
描述
一、工程实物图

二、开发板功能
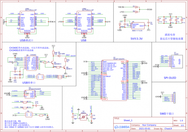
集成HK32F103C8T6所有基本通用的外设接口,适合新手使用。测试下来发现兼容使用CubeMx生成STM32F103C8T6的工程代码。只需要在KEIL5里面修改下项目的设备

1、通用IO口功能(输入输出模式)-- 已测试成功
2、串口通讯模块,使用Uart1可直接从USB1供电端打印数据到串口调试助手,支持一键boot下载电路(搬运正点原子的设计)--已测试成功
3、外部中断()--现还未测试完
4、通用定时器功能 -- 现还未测试完
5、PWM驱动RGB灯(目前第一版测试下来发现PB13、PB14、PB15三个口不支持PWM,后续版本会修改过来)--测试硬件失败
6、SPI-OLED部分,使用模拟的例程,网上STM32例程一堆,稍微修改下管脚定义就能使用,主要是想体验下硬件的SPI
7、IIC例程通用的参考STM32的例程
8、RS232、RS485通讯以前没有怎么用过,所以可能要花费点时间
9、CAN通讯目前也在学习调试过程中
10、USB功能官方说是会有问题,目前板子上画了,后续可以实验下。
三、入门开发流程
可以参考B站发布的视频教程https://www.bilibili.com/video/BV1zV411v7Ue,工程和资料参考附件
设计原理图


如需要了解更多航顺MCU产品,请联系航顺核心代理商,颖特新科技,或者扫码联系我们!

在之前的介绍中,我们也为大家介绍了《航顺芯片HK32F030MF4P6应用于流水灯》,也是目前我们主推的非常成熟的解决方案!

编辑:zzy 最后修改时间:2022-06-23


