电容传感器寄生电容干扰的产生原因及消除方法
分析了电容传感器寄生电容存在的主要原因,以及消除寄生电容干扰的几种方法:主要采用驱动电缆技术、运算放大器驱动技术、整体屏蔽技术、集成组合技术来减小寄生电容,以提高传感器的性能。
电容式传感器具有结构简单,灵敏度高,温度稳定性好,适应性强,动态性能好等一系列优点,目前在检测技术中不仅广泛应用于位移、振动、角度、加速度等机械量的测量,还可用于液位、压力、成份含量等热工方面的测量中。但由于电容式传感器的初始电容量很小,一般在皮法级,而连接传感器与电子线路的引电缆电容、电子线路的杂散电容以及传感器内极板与周围导体构成的电容等所形成的寄生电容却较大,不仅降低了传感器的灵敏度,而且这些电容是随机变化的,使得仪器工作很不稳定,从而影响测量精度,甚至使传感器无法正常工作,所以必须设法消除寄生电容对电容传感器的影响。以下对消除电容传感器寄生电容的几种方法进行分析。
增加初始电容值法
采用增加初始电容值的方法可以使寄生电容相对电容传感器的电容量减小。由公式C0=ε0·εr·A/d0可知,采用减小极片或极筒间的间距d0,如平板式间距可减小为0.2毫米,圆筒式间距可减小为0.15毫米;或在两电极之间覆盖一层玻璃介质,用以提高相对介电常数,通过实验发现传感器的初始电容量C0不仅显著提高了,同时也防止了过载时两电极之间的短路;另外,增加工作面积A或工作长度也可增加初始电容值C0。不过,这种方法要受到加工工艺和装配工艺、精度、示值范围、击穿电压等的限制,一般电容的变化值在10-3~103pF之间。
采用“驱动电缆”技术,减小寄生电容
如图1所示:在压电传感器和放大器A之间采用双层屏蔽电缆,并接入增益为1的驱动放大器,这种接法可使得内屏蔽与芯线等电位,进而消除了芯线对内屏蔽的容性漏电,克服了寄生电容的影响,而内外层之间的电容Cx变成了驱动放大器的负载,电容传感器由于受几何尺寸的限制,其容量都是很小的,一般仅几个pF到几十pF。因C太小,故容抗XC=1/ωc很大,为高阻抗元件;所以,驱动放大器可以看成是一个输入阻抗很高,且具有容性负载,放大倍数为1的同相放大器。

图1
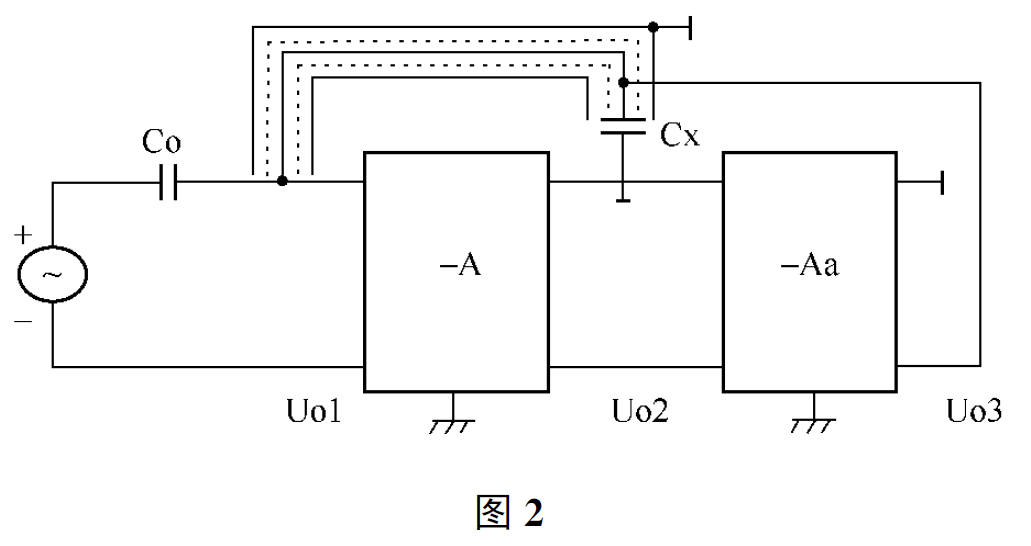
运算放大器驱动法
采用“驱动电缆”法消除寄生电容,就是要在很宽的频带上严格去实现驱动放大器的放大倍数等于1,并且输入输出的相移为零,这是设计的难点。而采用运算放大器驱动法就可有效的去解决这一难题。如图2所示:(-Aa)为驱动电缆放大器,其输入是(-A)放大器的输出,(-Aa)放大器的输入电容为(-A)放大器的负载,因此无附加电容和Cx并联,传感器电容Cx两端电压为
Ucx= Uo1- Uo2= Uo1- ( - A·Uo1) = (1+ A)·Uo1
放大器(-Aa)的输出电压为
Uo 3= - Aa·Uo2= A·Aa·Uo1
实现电缆芯线和内层屏蔽电位相等,应使UCX=Uo3,于是可以得到:(1+A)*Uo1=A*Aa*Uo1,
即Aa= 1+1/A
算放大器驱动法无任何附加电容,特别适用于传感器电容很小情况下的检测电路。

图2
整体屏蔽法
屏蔽技术就是利用金属材料对于电磁波具有较好的吸收和反射能力来进行抗干扰的。根据电磁干扰的特点选择良好的低电阻导电材料或导磁材料,构成合适的屏蔽体。屏蔽体所起的作用好比是在一个等效电阻两端并联上一根短路线,当无用信号串入时直接通过短路线,对等效电阻无影响。现就以差动电容式传感器为例,来说明整体屏蔽法的应用。在图3中,CX1,CX2作为差动电容,U为电源,A为放大器。整体屏蔽法是把图中整个电桥(包含电源电缆等)一起屏蔽起来,这种方法设计的关键点就在于接地点的合理设置。采用把接地点放在两个平衡电阻R1、R2之间,与整体屏蔽体共地。这样,传感器公用极板与屏蔽体之间的寄生电容C1与测量放大器的输入阻抗相并联,从而就可把C1视作为放大器的输入电容。由于放大器的输入阻抗应具有极大的值,C1的并联也不希望存在,但它只是影响传感器的灵敏度,而对其他性能无有影响。另外的两个寄生电容C3、C4分别并联在两桥臂R1、R2上,这样就会影响到电桥的初始平衡和整体的灵敏度,但是并不会影响到电桥的正常工作。因此,寄生参数对传感器电容的影响基本上就可以消除掉。整体屏蔽法是解决电容传感器寄生电容问题的很好的方法,其缺点就是使得结构变得比较复杂。

图3
另外采用集成法也是消除电容传感器寄生电容干扰的一种有效方法。这种方法就是将传感器与电子线路的前置级一同封装在一个壳体内,省去传感器到前置放大级的电缆,这样,寄生电容就可大大减小而且保持固定不变,使仪器处于稳定工作状态。但是这种做法因为电子元器件的存在而不能在相对高温或环境恶劣的地方正常使用。也可利用集成工艺,把传感器和调理电路集成于同一芯片,构成集成电容传感器。
总之,电容式传感器的电容值都很小,一般在皮法级,连接线产生的分布电容其数值也在皮法级,从而会影响到测量精度,所以我们要求传感器与转换电路之间的连接线选用自身分布电容极小的高频电缆,并尽量缩短传感器到转换电路之间的距离,在有条件时可以将传感器、连接线、转换电路整体屏蔽。

编辑:admin 最后修改时间:2017-08-14


