您好,欢迎进入江南娱乐手机客户端 官方网站!
锂电池的应用普及催生出了众多便携式的数码产品,如户外电源、电动工具、筋膜枪、充气泵、大功率充电宝等。这类产品都内置了多节多串锂电池组成的高容量、大功率电池包,支撑这些产品市场应用都离不开升降压充电管理芯片。升降压英文名称为Buck-Boost,顾名思义既可升压又可降压。不管输入电压是低于,高于或者等于电池组电压,芯片可自动控制升压或降压,对电池组实现充电管理。
深圳市永阜康科技有限公司现在大力推广成都水芯电子的一颗内置PD2.0/QC2.0等快充协议多节100W升降压锂电充电管理芯片M3033,可支持2-7串锂电快速充电,满足多串大容量锂电池组应用场合。高度集成的芯片设计,可以做成很小体积的成品,应用简单,直接使用Type-C充电,无需专用充电器、避免资源浪费。
产品概要
M3033 是一款电源管理 SOC,集成了单指令周期的高性能微处理器(MCU)、16-bit 高精度模/数转换单元(SD-ADC)、Buck-Boost 控制单元、MOSFET 驱动接口、LED 直接驱动接口,以及多种安全保护机制。M3033支持 PD2.0、QC2.0 快充协议,配合少许外围电路,即可组成 2-7 串电池的充电管理解决方案。采用QFN-48封装。
特点
电压变换器
支持升压和降压
支持 CV/CC 模式
输入电压范围 4.5-25V??
快充协议
PD2.0:5V / 9V / 12V / 15V / 20V
QC2.0:5V@3A,9V@2A,12V@1.5A
充电性能
充电功率:可配置,10W~100W
充电电流:可配置,0~6A
充电效率:最高可达 96%
充电电流精度:16mA??
充电电压精度:满电压精度为±50mV/串?
支持电池
电池串数:可配置,2~7 串 R
电池规格:可配置,4.2~4.45V,0.05V递增 扩展用外围功能
LED 直接驱动端口:3 路 典型应用
通用输入/输出端口:4 路
应用领域
电动工具、电动自行车、小家电、太阳能、储能电池等快充应用领域
M3033应用信息
1.M3033脚位图

2.M3033管脚说明

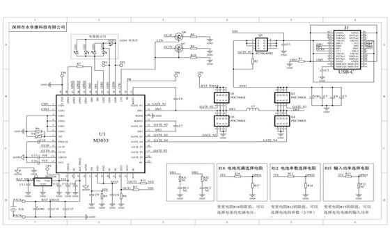
3.M3033 DEMO板原理图

4.M3033 DEMO板PCB顶层设计图

5.M3033 DEMO板PCB底层设计图

6.M3033 DEMO板贴片图

7.M3033 DEMO板物料清单

8.M3033 DEMO板实物图
