航顺芯片矩形波发生器 + 691112A
简介:采用OLED,EC11进行交互。 可外接电路实现PWM调节。开源协议: GPL 3.0
描述
采用OLED,EC11进行交互。 可外接电路实现PWM调节。 频率可调,占空比可调。
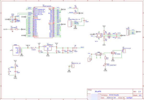
设计原理图

pcb

如需要了解更多航顺MCU产品,请联系航顺核心代理商,颖特新科技,或者扫码联系我们!


编辑:zzy 最后修改时间:2022-08-04

pcb

如需要了解更多航顺MCU产品,请联系航顺核心代理商,颖特新科技,或者扫码联系我们!


编辑:zzy 最后修改时间:2022-08-04

扫码关注我们
0755-82591179
传真:0755-82591176
邮箱:vicky@yingtexin.net
地址:深圳市龙华区民治街道民治大道973万众润丰创业园A栋2楼A08

Copyright © 2014-2023 江南app官方网站下载安卓 All Rights Reserved. 粤ICP备14043402号-4