您好,欢迎进入江南娱乐手机客户端 官方网站!
NSD1624是纳芯微最新推出的非隔离高压半桥驱动芯片,驱动电流高达+4/-6A,可用于驱动MOSFET/IGBT等各种功率器件。

可广泛应用于
光伏、储能等新能源领域
空调压缩机、工业电机驱动
高效高密度工业、通信、服务器电源
半桥、全桥、LLC电源拓扑
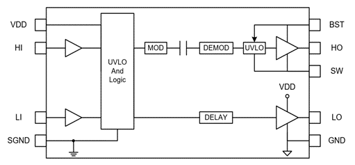
如下图NSD1624功能框图所示,纳芯微创新地将隔离技术方案应用于高压半桥驱动中,使得高压输出侧可以承受高达1200V的直流电压,同时SW pin可以满足高dv/dt和耐负压尖峰的需求。可适用于各种高压半桥、全桥、LLC电源拓扑上。
NSD1624输入逻辑可兼容TTL/CMOS,方便控制。高压侧和低压侧均具备独立的供电欠压保护功能(UVLO),能在10~20V电压范围内工作。此外,NSD1624可提供SOP14,SOP8,LGA 4*4mm多种封装形式。

NSD1624功能框图

NSD1624简化应用电路
解决高压、高频系统中SW pin负压和高dv/dt的痛点

图一:半桥驱动IC典型应用电路图示

图二:Q1、Q2管子开关过程中,SW产生震荡和负压
上图一所示是半桥驱动IC非常典型的应用电路。在Q1、Q2管子开关过程中,SW 会产生一定程度的震荡,同时会有负压产生,如上图二所示。如果驱动IC SW pin 耐负压能力比较低,就会导致IC损坏。
SW pin 产生震荡和负压的原因是:当上管关闭时,由于负载呈感性,电流不能突变,电流便会从GND 通过下管的体二极管进行续流,如图一的红色箭头方向所示。在真实电路中,该电流路径上许多地方会存在寄生电感,如图一的绿色电感。?
SW 的电压 Usw=-Lss * (di/dt),通过公式可以看出,续流电流通过路径中的寄生电感,会在SW上产生负压。如果负载电流越大,开关频率越高,即di/dt 大,同时电路中寄生电感越大,即Lss 值越大,则SW产生的震荡和负压就会越大,就会越容易损坏驱动IC。
此外,开关频率越大,SW产生的dv/dt就越大。如果选择的驱动IC dv/dt 抗干扰能力不足,便会导致驱动IC内部逻辑错误,可能会使得驱动IC的HO 和 LO同时输出高电平,使得上下管同时打开,造成短路,甚至烧坏管子。
纳芯微创新地将隔离技术方案应用于NSD1624 高压半桥IC中,很好解决了上述问题,即:SW pin负压和高dv/dt的痛点。该创新技术,使得NSD1624 SW pin 电压能够承受高达±1200V,可以承受非常高的负压;同时dV/dt抗干扰能力超过100kv/us。因而 NSD1624 非常适合高频、高压、高可靠性的应用场景,符合电源行业发展的趋势。

免费送样
NSD1624 系列产品均可提供样品,如需申请样片或订购可邮件至sales@novosns.com或拨打0512-62601802,更多信息敬请访问www.novosns.com
关于纳芯微
纳芯微电子(NOVOSENSE)是国内高性能高可靠性模拟及混合信号芯片设计公司,聚焦感知、驱动、系统互联方向,提供传感器、信号链、隔离与接口、功率驱动、电源管理等丰富的半导体产品及解决方案,并被广泛应用于汽车、工业控制、信息通讯及消费电子领域。
公司以『“感知”驱动“未来”,构建万物互联的“芯”世界』为使命,致力于为数字世界和现实世界的连接提供芯片级解决方案。
了解详情及样品申请,请访问公司官网:www.novosns.com