二极管、三极管、MOS管常用封装实物图(采购收藏)
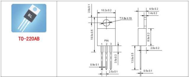
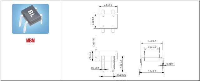
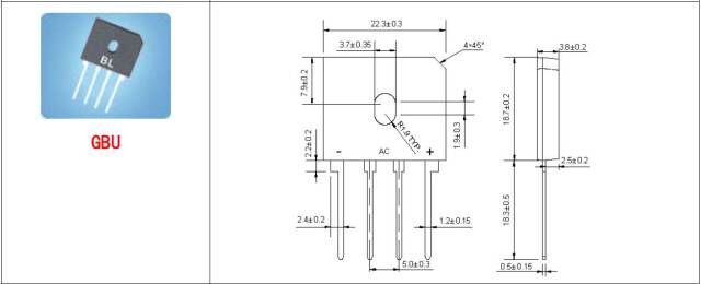
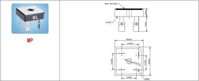
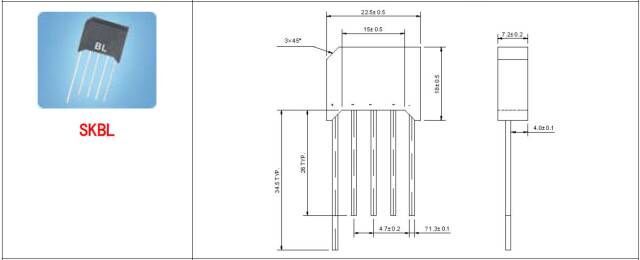
电子元器件有着不同的封装类型,不同类的元器件外形虽然差不多,但内部结构及用途却大不同,譬如TO220封装的元件可能是三极管、可控硅、场效应管甚至是双二极管。TO-3封装的元器件有三极管,集成电路等。
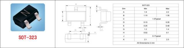
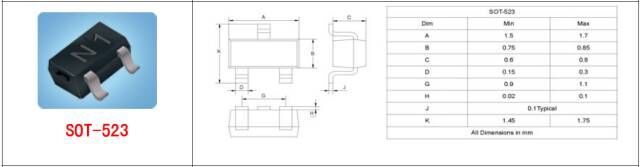
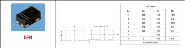
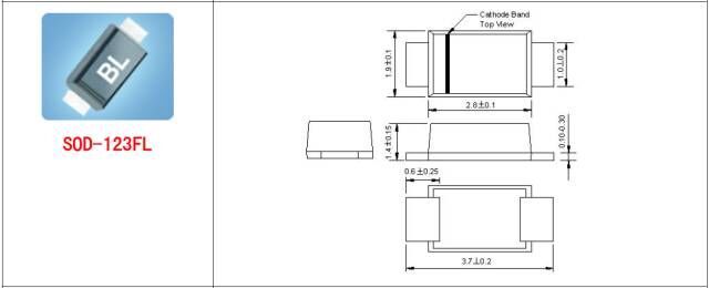
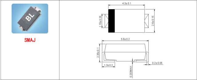
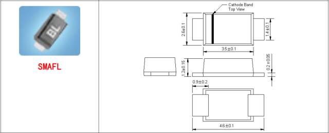
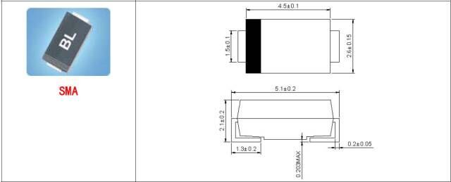
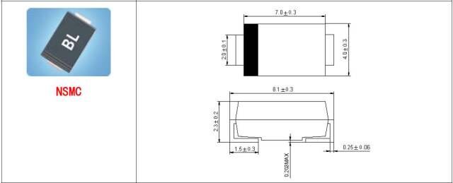
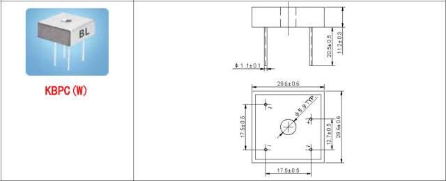
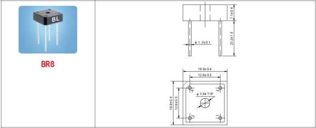
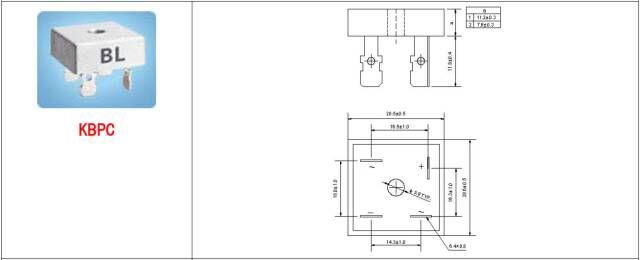
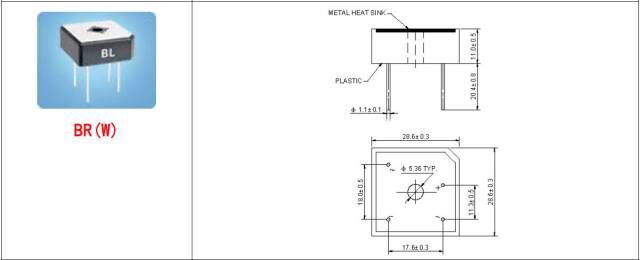
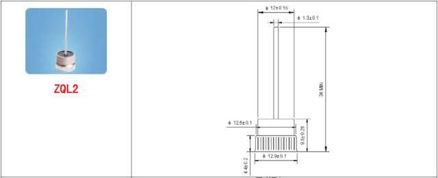
今天我们就来盘点一下常见的二极管、三极管、MOS封装类型,下图含精确尺寸:






























































编辑:admin 最后修改时间:2018-03-16
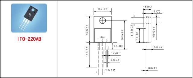
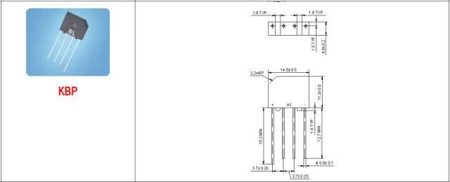
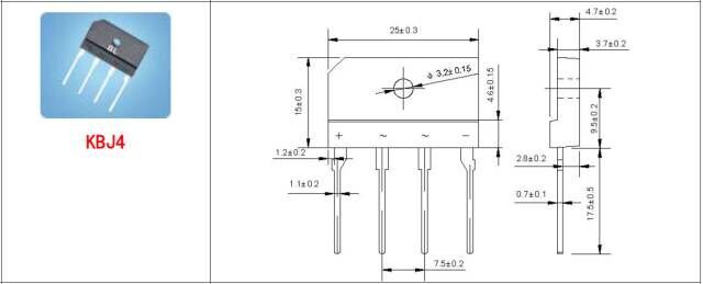
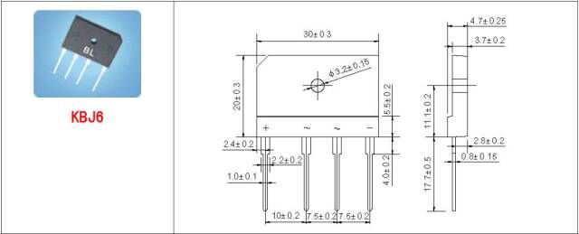
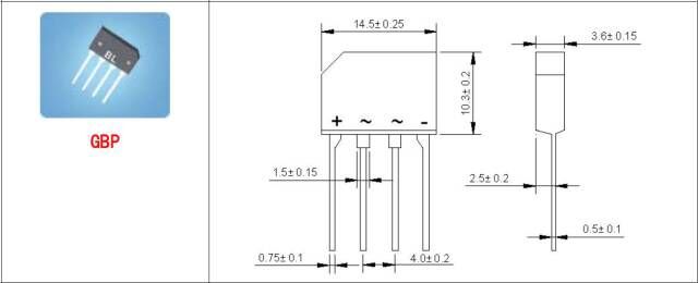
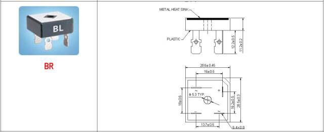
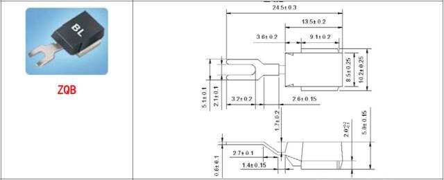
电子元器件有着不同的封装类型,不同类的元器件外形虽然差不多,但内部结构及用途却大不同,譬如TO220封装的元件可能是三极管、可控硅、场效应管甚至是双二极管。TO-3封装的元器件有三极管,集成电路等。
今天我们就来盘点一下常见的二极管、三极管、MOS封装类型,下图含精确尺寸:






























































编辑:admin 最后修改时间:2018-03-16

扫码关注我们
0755-82591179
传真:0755-82591176
邮箱:vicky@yingtexin.net
地址:深圳市龙华区民治街道民治大道973万众润丰创业园A栋2楼A08

Copyright © 2014-2023 江南app官方网站下载安卓 All Rights Reserved. 粤ICP备14043402号-4