单片机延时程序分析与复位电路
在《单片机存储器结构:rom和ram的作用和区别》的一课中,我们已经知道,程序中的符号R7、R6是代表了一个个的RAM单元,是用来放一些数据的,下面我们再来看一下其它符号的含义。
DELAY: MOV R7,#250 ;(6) D1: MOV R6,#250 ;(7) D2: DJNZ R6,D2 ;(8) DJNZ R7,D1 ;(9) RET ;(10) |
〈单片机延时程序〉
MOV:这是一条指令,意思是传递数据。说到传递,我们都很清楚,传东西要从一本人的手上传到另一本人的手上,也就是说要有一个接受者,一个传递者和一样东西。从指令MOV R7,#250中来分析,R7是一个接受者,250是被传递的数,传递者在这条指令中被省略了(注意:并不是每一条传递指令都会省的,事实上大部份数据传递指令都会有传递者)。它的意义也很明显:将数据250送到R7中去,因此执行完这条指令后,R7单元中的值就应当是250。在250前面有个#号,这又是什么意思呢?这个#就是用来说明250就是一个被传递的东西本身,而不是传递者。那么MOV R6,#250是什么意思,应当不用分析了吧。
DJNZ:这是另一条指令,我们来看一下这条指令后面跟着的两个东西,一个是R6,一个是D2,R6我们当然已知是什么了,查一下D2是什么。D2在本行的前面,我们已学过,这称之为标号。标号的用途是什么呢?就是给本行起一个名字。DJNZ指令的执行过程是这样的,它将其后面的第一个参数中的值减1,然后看一下,这个值是否等于0,如果等于0,就往下执行,如果不等于0,就转移,转到什么地方去呢?可能大家已猜到了,转到第二个参数所指定的地方去(请大家用自已的话讲一下这条语句是怎样执行的)。本条指令的最终执行结果就是,在原地转圈250次。
执行完了DJNZ R6,D2之后(也就是R6的值等于0之后),就会去执行下面一行,也就是DJNZ R7,D1,请大家自行分析一下这句话执行的结果。(转去执行MOV R6,#250,同时R7中的值减1),最终DJNZ R6,D2这句话将被执行250*250=62500次,执行这么多次同一条指令干吗?就是为了延时。
一个问题:如果在R6中放入0,会有什么样的结果。
二、时序分析:
前面我们介绍了延时程序,但这还不完善,因为,我们只知道DJNZ R6,D2这句话会被执行62500次,但是执行这么多次需要多长时间呢?是否满足我们的要求呢?我们还不知道,所以下面要来解决这个问题。
先提一个问题:我们学校里什么是最重要的。(铃声)校长能出差,老师能休息,但学校一日无铃声必定大乱。整个学校就是在铃声的统一指挥下,步调一致,统一协调地工作着。这个铃是按一定的时间安排来响的,我们能称之为“时序��时间的次序”。一个由人组成的单位尚且要有一定的时序,计算机当然更要有严格的时序。事实上,计算机更象一个大钟,什么时候分针动,什么时候秒针动,什么时候时针动,都有严格的规定,一点也不能乱。计算机要完成的事更复杂,所以它的时序也更复杂。
我们已知,计算机工作时,是一条一条地从ROM中取指令,然后一步一步地执行,我们规定:计算机访问一次存储器的时间,称之为一个机器周期。这是一个时间基准,好象我们人用“秒”作为我们的时间基准一样,为什么不干脆用“秒”,多好,很习惯,学下去我们就会知道用“秒”反而不习惯。
一个机器周期包括12个时钟周期。下面让我们算一下一个机器周期是多长时间吧。设一个单片机工作于12M晶体震荡器,它的时钟周期是1/12(微秒)。它的一个机器周期是12*(1/12)也就是1微秒。(请计算一个工作于6M晶体震荡器的单片机,它的机器周期是多少)。
MCS-51单片机的所有指令中,有一些完成得比较快,只要一个机器周期就行了,有一些完成得比较慢,得要2个机器周期,还有两条指令要4个机器周期才行。这也不难再解,不是吗?我让你扫地的执行要完成总得比要你完成擦黑板的指令时间要长。为了恒量指令执行时间的长短,又引入一个新的概念:指令周期。所谓指令周期就是指执行一条指令的时间。INTEL对每一条指令都给出了它的指令周期数,这些数据,大部份不需要我们去记忆,但是有一些指令是需要记住的,如DJNZ指令是双周期指令。
下面让我们来计算刚才的延时。首先必须要知道晶体震荡器的频率,我们设所用晶体震荡器为12M,则一个机器周期就是1微秒。而DJNZ指令是双周期指令,所以执行一次要2个微秒。一共执行62500次,正好125000微秒,也就是125毫秒。
如果你对上面几句还是不懂请看这里的详解:http://www.51hei.com/mcu/1247.html
关于用C语言写延时函数的详解请看这:http://www.51hei.com/mcu/710.html
练习:设计一个延时100毫秒的延时程序。
要点分析:1、一个单元中的数是否能超过255。2、如何分配两个数。
三、复位电路
一、复位方式
⒈ 复位条件
RST引脚保持2个机器周期以上的高电平。
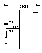
⒉ 复位电路
⒊ 复位后CPU状态
PC: 0000H TMOD: 00H
Acc: 00H TCON: 00H
B: 00H TH0: 00H
PSW: 00H TL0: 00H
SP: 07H TH1: 00H
DPTR:0000H TL1: 00H
P0~P3:FFH SCON: 00H
IP:×××00000B SBUF: 不定
IE:0××00000B PCON: 0×××0000B
任何单片机在工作之前都要有个复位的过程,复位是什么意思呢?它就象是我们上课之前打的预备铃。预备铃一响,大家就自动地从操场、其它地方进入教室了,在这一段时间里,是没有老师干预的,对单片机来说,是程序还没有开始执行,是在做准备工作。显然,准备工作不需要太长的时间,复位只需要5ms的时间就能了。如何进行复位呢?只要在单片机的RST管脚上加上高电平,就能了,按上面所说,时间不少于5ms。为了达到这个要求,能用很多种办法,这里供给一种供参考,见图1。实际上,我们在上一次实验的图中已见到过了。
这种复位电路的工作原理是:通电时,电容两端相当于是短路,于是RST管脚上为高电平,然后电源通过电阻对电容充电,RST端电压慢慢下降,降到一定程序,即为低电平,单片机开始正常工作。

编辑:admin 最后修改时间:2018-04-25




