MC14433芯片与单片机的接口
MC14433是国产的3位半A/D转换器,是目前市场上广为流行的最典型的双积分A/D转换器。MC14433具有抗干扰性好,转换精度高,自动校零,自动极性输出,自动量程控制信号输出,动态字位扫描BCD码输出,单基准电压,外接元件少,价格低廉等特点。但是其转换速度慢,约1~10次每秒。在不要求高速转换的场合,被广泛采用。
(1)MC14433的内部结构及引脚功能
MC14433的内部结构图如图1所示。
<?XML:NAMESPACE PREFIX = O />
图1 MC14433内部结构图 图2 MC14433引脚分布
模拟电路部分有基准电压、模拟电压输入部分。
数字电路部分由逻辑控制、BCD码及输出锁存器、多路开关、时钟以及极性判别、溢出检测等电路组成。
主要外接元件是时钟振荡器外接电阻RC,外接失调补偿电容C0和外接积分阻容元件R1、C1。MC14433芯片的引脚分布如图2所示。
各引脚功能如下:
l VAG:被测电压VX和基准电压Vref的接地端。
l Vref :外接输入基准电压。
l Vx:被测电压输入端。
l R1、R1/C1、C1:外接积分电阻R1和积分电容C1元件端,外接元件典型值:当量程为2V时,C1=0.1<?XML:NAMESPACE PREFIX = V />
F,R1=470
;当量程为200mV时,C1=0.1
F,R1=27K
。
l C01、C02:外接失调补偿电容C0端,C0的典型值为0.1
F。
l DU:更新A/D转换数据结果的控制端。当DU与EOC连接时,每次A/D转换的结果都会被更新。
l CLK1和CLK0:时钟振荡器外接电阻RC端。RC的典型值为470K
,时钟频率随着RC的增加而下降。
l Vee:模拟部分的负电源端,接-5V。
l Vss:除CLK0端外,所有输出端的低电平基准(数字地)。
l EOC:转换周期结束标志输出。
l
:过量程标志输出,平时为高电平。当
时,
端输出低电平。
l DS1~DS4:多路选通脉冲输出端。
l Q0~Q3:BCD码输出数据线。其中Q0为最低位,Q3为最高位。
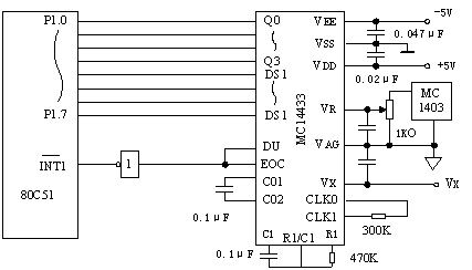
(2)MC14433与单片机80C51的接口
MC14433与单片机80C51的接口电路如图3所示。

图3 MC14433与单片机80C51的接口电路

编辑:admin 最后修改时间:2023-06-28


