LED闪光电路图LED闪光电路结构工作原理
LED闪光电路图LED闪光电路结构工作原理
今天我们主要介绍下LED闪光电路图,这些电路主要用在电子设备的显示或警告上面。
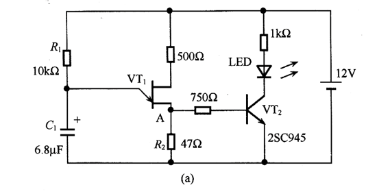
图(a)是最简单的LED闪光电路,VT1和C1等构成多谐振荡器,VT2将R2上的脉冲信号进行放大从而驱动LED闪光显示。
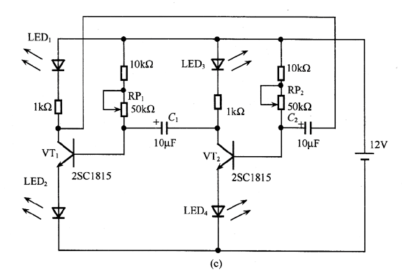
图(b)是采用2个晶体管的LED闪光电路。此电路中,VT1的输出电压通过C2加到VT2的基极,而VT2的输出电压通过C1加到VT1的基极,从而构成晶体管振荡电路。LED接在晶体管的发射极,为着改善电路的开关特性,并兼有对VT1和VT2的保护作用,LED的闪光时间t=C1RP1n2(=C2RP2ln2)。
图(c)的工作原理与图(b)基本相同,只是增设2个LED晶体管
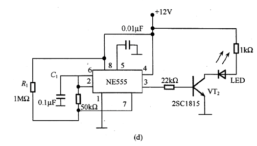
图(d)的振荡器是采用NE555定时器的LED闪光电路,LED的亮灭时间为50%,多用于各种电子设各的告警电路。由于NE555的输出较小,因此,采用VT1将其输出放大来驱动LED。VT1采用集电极开路的晶体管,因而,加在LED上电压可根据需要而选定

编辑:admin 最后修改时间:2018-01-15


