详解mosfet应用电路 mos管开关电路知识通俗易懂
MOS管 开关电路详解mosfet应用电路 mos管开关电路知识通俗易懂
mosfet应用电路,MOS管最显著的特性是开关特性好,所以被广泛应用在需要电子开关的电路中,常见的如开关电源和马达驱动,也有照明调光。
MOS电路为单极型集成电路,又称为MOS集成电路,它采用金属-氧化物半导体场效应管制造,其主要特点是结构简单、制造方便、集成度高、功耗低,但速度较慢。
mosfet应用电路解析
学习过模拟电路的人都知道三极管是流控流器件,也就是由基极电流控制集电极与发射极之间的电流;而MOS管是压控流器件,也就是由栅极上所加的电压控制漏极与源极之间电流。
MOSFET管是FET的一种,可以被制造为增强型或者耗尽型,P沟道或N沟道共四种类型,但实际应用的只有增强型的N沟道MOS管和增强型的P沟道MOS管。实际应用中,NMOS居多。

图1 左边是N沟道的MOS管,右边是P沟道的MOS管
寄生二极管的方向如何判断呢?它的判断规则就是对于N沟道,由S极指向D极;对于P沟道,由D极指向S极。

如何分辨MOS管三个极?
D极单独位于一边,而G极是第4PIN。剩下的3个脚则是S极。它们的位置是相对固定的,记住这一点很有用。请注意:不论NMOS管还是PMOS管,上述PIN脚的确定方法都是一样的。

MOS管导通特性
导通的意思是作为开关,相当于开关闭合。NMOS的特性:Vgs大于某一值管子就会导通,适合用于源极接地时的情况(低端驱动),只要栅极电压达到4V就可以了。
PMOS的特性:Vgs小于某一值管子就会导通,适合用于源极接VCC时的情况(高端驱动)。下图是MOS管开关电路,输入电压是Ui,输出电压是Uo。
当Ui较小时,MOS管是截止的, Uo=Uoh=Vdd;
当Ui较大时,MOS管是导通的, Uo =Ron/(Ron+Rd)*Vdd,由于Ron<<rd,所以输出为低电平,即uo=0。< span="">

应用实例:
以下是某笔记本主板的电路原理图分析,在此mos管是开关作用:PQ27控制脚为低电平,PQ27截止,而右侧的mos管导通,所以输出拉低;

电路原理分析:PQ27控制脚为高电平,PQ27导通,所以其漏极为低电平,右侧的mos管处于截止状态,所以输出为高电平。

整体看来,两个管子的搭配作用就是高低电平的切换,这个电路来自于笔记本主板的电路,但是这个电路模块也更常见于复杂电路的上电时序控制模块,GPIO的操作模块等等应用中。

MOS管的隔离作用
MOS管实现电压隔离的作用是另外一个非常重要且常见的功能,隔离的重要性在于:担心前一极的电流漏到后面的电路中,对电路系统的上电时序,处理器或逻辑器件的工作造成误判,最终导致系统无法正常工作。因此,实际的电路系统中,隔离的作用非常重要。

比如,上下两个图就是通过源极的高低电平来控制MOS管的通断,来实现信号电平的隔离,因为MOS管有体二极管,并且是反向的,所以并不会有信号通过MOS管漏过去。这是一个非常经典的电路,并且可以通过搭配衍生出很多实用的电路。
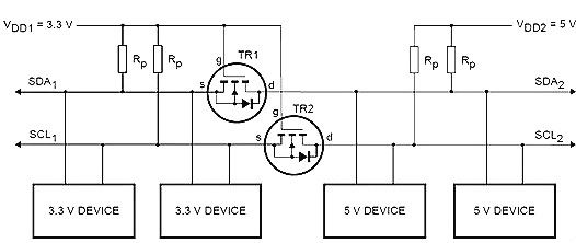
比如,下面这个IIC总线中电平转换电路,其实跟上面的电路存在极大的相似性。

电路分析:
SDA1为高电平(3V3)时,TR1截止,SDA2输出为高电平(5V);
SDA1为低电平(0V)时,TR1导通,SDA2输出为低电平。

MOS开关电路管损失
不管是NMOS还是PMOS,导通后都有导通电阻存在,这样电流就会在这个电阻上消耗能量,这部分消耗的能量叫做导通损耗。选择导通电阻小的MOS管会减小导通损耗。现在的小功率MOS管导通电阻一般在几十毫欧左右,几毫欧的也有。
MOS在导通和截止的时候,一定不是在瞬间完成的。MOS两端的电压有一个下降的过程,流过的电流有一个上升的过程,在这段时间内,MOS管的损失是电压和电流的乘积,叫做开关损失。通常开关损失比导通损失大得多,而且开关频率越快,损失也越大。
导通瞬间电压和电流的乘积很大,造成的损失也就很大。缩短开关时间,可以减小每次导通时的损失;降低开关频率,可以减小单位时间内的开关次数。这两种办法都可以减小开关损失。


