MOS管的实际应用详细解析
MOS管MOS管和三极管类似,只不过 MOS管是压控压型(电压控制),而三极管是流控流型(电流控制)。
至于MOS管的使用,N型与P型存在区别,对于应用,我们只需要知道:
1、对于N型MOS管,若G、S之间为高(电压方向G指向S,具体电平看具体MOS管 ),D、S(电压方向D指向S)之间就会导通,此时D、S间相当于一个很小的电阻,若G、S之间为低(具体电平看具体MOS管 ),D、S之间就会截止,此时D、S间相当于一个很大的电阻,电流就无法流过。
2、对于P型MOS管,若G、S之间为高(电压方向S指向G,具体电平看具体MOS管 ),D、S之间就会导通(电压方向S指向D),此时D、S间相当于一个很小的电阻,若G、S之间为低(具体电平看具体MOS管 ),D、S之间就会截止 ,此时D、S间相当于一个很大的电阻,电流就无法流过。
N型MOS管应用的场景更多,相比于比P型MOS管,其优点如下:
1、开关速度更快
2、耐压更高
3、通过的电流更大
下面是N型MOS管的一个简单的引用电路,当G端通入高电平,MOS管D、S间导通,此时MOS管导通,电机的电流得以通过,电机转动。当G端为低电平的时候,D、S间无法导通,电机也就无法运行。

MOS管的实际应用
应用MOS管前,理解MOS管每个参数的具体意义后,再额外注意一下管子本身的体二极管,本身Vf=1.6V,导通后管子本身阻抗一般是mΩ级;管子厂工作于以下三种状态:导通,截止和可变电阻区(又有线性放大区的说法)。
1. 作电平转换用
电路设计时,不同的子系统之间无可避免的需要数字信号传递,不同的系统之间或者设备之间,数字接口电平经常不一致,故需要用到电平转换电路,有专门集成的IC实行电平转换,从省成本的角度来看也可以用MOS管或者三极管搭建,如下为MOS管搭建:

需要注意电平的高低,外接电路电平是否确定,是否双向通信和通信速率等均影响具体电路的细节考虑,上述只是模型。
2. 作开关管用
作为电子开关控制电源的通断,一般正极用PMOS管,负极用NMOS管控制;

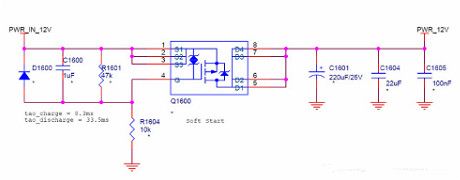
3. 缓启动用
在有大电容负载时,比如电解电容和大功率设备电源(电机、马达等)需要对电源作缓启动设计,否则会有很大的浪涌电流,电源电压跌落导致系统复位,反复重启等严重缺陷。

4. 防反接用
在电源接口设计时,有很多场合需要考虑反接的问题,没有相应的电路设计的话很容易将电路烧坏,造成损失;

PMOS管常用在正极,NMOS管常用在负极;上面电路只是一个模型,具体电路还需要增加相应的阻容器件调理。
5. 作逻辑转换用
信号除了电平高低的转换,很多时候需要电平逻辑高低转换,MOS管和三极管都可以实现,下面是MOS管的方式;

MOS管在电路中还有很多其他用途,颖特新小编暂时先介绍上面几种;尤其注意在大功率电路设计中,务必理解各种参数的实际意义和关联关系,以免造成严重后果。


