开关MOS寄生二极管的多种妙用详细解析
寄生二极管作用
当电路中产生很大的瞬间反向电流时,可以通过这个二极管导出来,不至于击穿这个MOS管。(起到保护MOS管的作用)
沟槽Trench型N沟道增强型功率MOSFET的结构如下图所示,在N-epi外延层上扩散形成P基区,然后通过刻蚀技术形成深度超过P基区的沟槽,在沟槽壁上热氧化生成栅氧化层,再用多晶硅填充沟槽,利用自对准工艺形成N+源区,背面的N+substrate为漏区,在栅极加上一定正电压后,沟槽壁侧的P基区反型,形成垂直沟道。
由下图中的结构可以看到,P基区和N-epi形成了一个PN结,即MOSFET的寄生体二极管。

MOSFET剖面结构

体二极管主要参数

二极管特性测试电路

二极管恢复曲线

MOSFET体二极管反向恢复过程波形


MOSFET体二极管应用场合
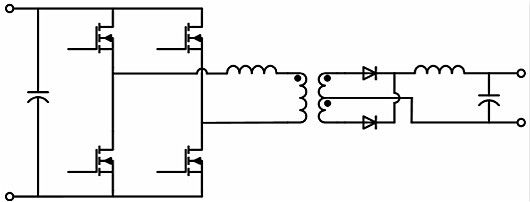
1、全桥逆变电路

2、三相桥电路

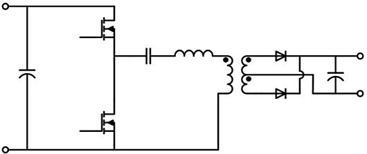
3、LLC半桥谐振电路ZVS

4、移相全桥PSFB ZVS

5、HID照明(ZVS)

MOSFET体二极管应用分析
1、MOSFET体二极管反向恢复

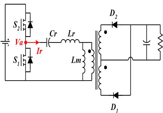
2、LLC半桥谐振变换器

3、LLC电压增益

4、LLC变换器 ZVS状态下模态切换


LLC变换器工作波形

LLC启动过程 - 二极管反向恢复

HID照明电源(带载切换成开路)




