IGBT隔离驱动芯片有哪些 常见igbt驱动电路图讲解
IGBT隔离驱动芯片 igbt电路图 IGBT隔离芯片型号IGBT(Insulated Gate Bipolar Transistor)隔离驱动芯片是在控制和驱动IGBT开关时提供电气隔离的重要器件。颖特新介绍一下英飞凌、ST和士兰微三个品牌常用的IGBT隔离驱动芯片型号。
一、英飞凌
1.IRS2005: 双通道高低侧驱动芯片,工作电压范围10V至20V,适用于中功率应用。
2.IRS2184: 双通道高低侧驱动芯片,具有低功耗和高速开关特性,适用于工业和汽车电子应用。
3.IRS2106: 单通道高侧驱动芯片,工作电压范围10V至20V,适用于低至中功率应用。
4.2ED300C17: 双通道高低侧驱动芯片,具有低反馈延迟和短路保护功能,适用于高功率应用。
5.2EDL05I06PF: 双通道高低侧驱动芯片,采用EiceDRIVER™ SafeIGBT技术,适用于电动助力转向系统等汽车应用。
6.ISO7720: 双通道隔离驱动芯片,采用磁耦合隔离技术,工作电压范围2.5V至5.5V,适用于工业和汽车应用。
7.ISO7710: 单通道隔离驱动芯片,具有高噪声抑制能力和低功耗,适用于高可靠性应用。
二、ST
1.STDRIVE101: 单通道高低侧驱动芯片,工作电压范围4.5V至18V,具有低功耗和短路保护功能。
2.STDRIVE601: 六通道高低侧驱动芯片,适用于三相桥式逆变器和电机驱动等应用。
3.VNI8200XP: 集成了六个IGBT或MOSFET驱动器的单芯片解决方案,适用于电机驱动和电源逆变器等高功率应用。
4.ISO5852S: 具有四个通道的隔离驱动器,适用于工业自动化和电力电子应用。
5.ISO7721: 双通道隔离驱动器,具有高噪声抑制能力和低功耗,广泛应用于工业控制和电力系统中。
6.STGAP1AS: 双通道隔离驱动芯片,具有高噪声抑制和瞬态保护功能,适用于工业和汽车电子应用。
三、士兰微
1.SZ1101: 单通道高低侧隔离驱动芯片,工作电源范围3V至18V,具有短路保护和低反馈延迟特性。
2.SZ1105: 双通道高低侧隔离驱动芯片,适用于多相桥式逆变器和驱动电机等应用。
3.SLS11ERE: 三通道隔离驱动芯片,具有高速开关和短路保护功能,适用于高功率应用。
4.SRK1001: 单通道隔离驱动芯片,工作电压范围4.5V至40V,具有低功耗和短路保护功能,适用于工业自动化和电力电子应用。
5.SLYD254: 高速隔离驱动芯片,具有低延迟和高噪声抑制能力,适用于精密测量设备和高速通信系统等应用。
常见IGBT驱动电路
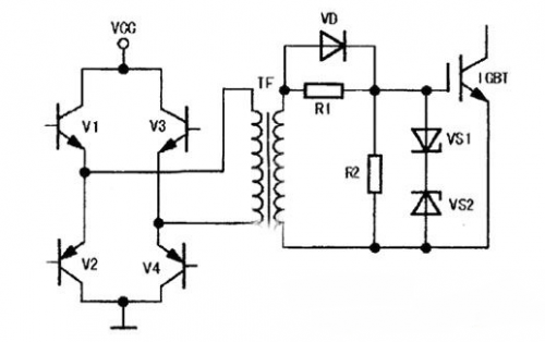
1、脉冲变压器式

该方式是利用变压器的工作原理,由次级感应电压直接驱动IGBT,如上图1所示。由于变压器具有阻抗变换与隔离作用,所以这种驱动方式不仅简化了驱动电路,还解决了驱动电路的供电与IGBT不共地的连接问题。
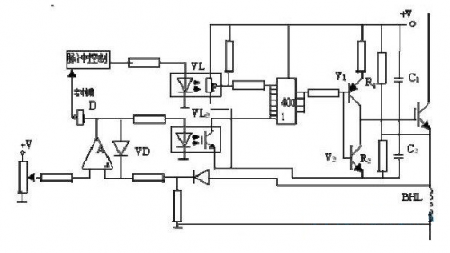
2、采用光耦合器及CMOS 驱动IGBT

电路如上图2所示,该电路自身带过流保护功能,光耦合器将脉冲控制电路与驱动电路隔离,4011的四个与非门并联工作提高了驱动能力,互补晶体管V1、V2 降低驱动电路阻抗,通过R1、C1 与R2、C2 获得不同的正、反向驱动电压,以满足各种IGBT对栅极驱动电压的要求。该电路由于受光耦合器传输速度的影响,其工作频率不能太高,同时受4011 型CMOS电路最高工作电压的限制,使+VGF和-VGE的幅值相互金制,并受到限制。
3、用专用混合集成驱动电路
目前,国外很多生产IGBT器件的公司,为了解决IGBT驱动的可靠性问题,纷纷推出IGBT专用驱动电路,如美国MOIOROA公司的MPD系列。日本东等公司的KT系列。日本富十公司的FXB系列笔,这些驱动由路抗干扰能力强,集成化程度高,谏度快,保护功能完善,可现IGBT的昂优驱动,但一般价格比较易贵,对千普通用户很难接。
IGBT隔离驱动芯片的广泛应用领域包括工业自动化、电力电子、汽车电子等重要行业。它们为各类设备和系统的控制与驱动提供了稳定而高效的解决方案,推动着现代科技的进步和发展。


