宝砾微核心电源管理芯片介绍|选型指南
非常荣幸与宝砾微电子有限公司结成战略合作伙伴,宝砾微于2013年创立于美国达拉斯,创始人来自于美国著名半导体公司。 公司核心管理团队有多年电子行业研发、运营及管理经验。 深度的系统和应用知识、强大的电源管理芯片设计及创新能力、以及受专利保护的自定制工艺是我们的核心竞争力。

宝砾微公司专注于为客户提供具创新性、高性价比、高集成度的电源管理IC ,与国外先进代工厂和国内一流封装厂商都建立了良好的合作关系 。经过几年时间的累积和耕耘,在电动车、车载、电子烟、TYPE-C PD 、家电、电动工具、充电管理以及DC-DC相关市场上,我们的产品成功导入到很多行业龙头企业并与客户之间建立良好的合作关系。
宝砾微主要产品介绍:
一、5-100V全系列单晶圆降压DC-DC
该系列产品涵盖5-100V的输入电压范围、1-5A的负载电流范围,在车载、便携式设备充电、家电等领域已得到客户的普遍认可和好评。

系列产品特点:
- 单芯片设计,相对于双芯片、三芯片产品稳定性、一致性高
- 内部集成高达40V耐压的双MOSFET,无需外部续流管,同时满足12V/24V应用市场
- 集成内部补偿电路,外围简单,降低方案设计难度及减少项目设计周期
- 带有软启动电路,降低输入浪涌电流对系统的影响
- 效率高达95%
- 具有输入欠压保护、输入过压保护、输出过压保护、过流保护、输出短路保护、过温保护
- 高性价比
应用市场:

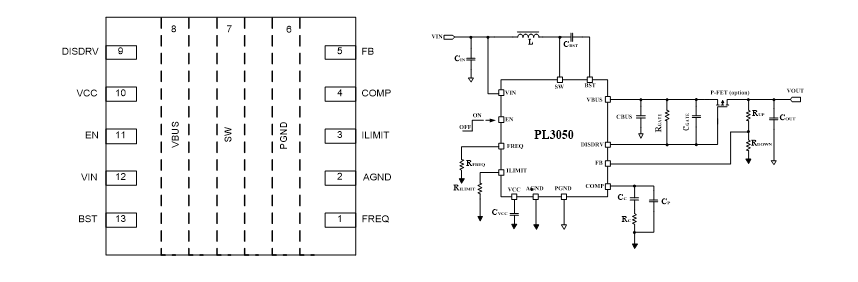
二、高效、保护功能齐全的升压产品PL3050
宝砾微PL3050产品实现2.7-20V的输入范围,实现单节或者多节电池供电,要求升压到12V、15V甚至20V的升压应用场合,解决市场上该类型产品普遍无短路保护的痛点,为电子烟、蓝牙音箱、POS终端以及电动工具等领域提供保护功能齐全、高效率、高可靠性以及高性价比的应用解决方案。

产品特点:
1、 宽输入范围:2.7V-20V
2、 内部集成高达30V耐压、低内阻功率MOSFET
3、 具有短路及其他保护功能功能
4、 效率高达96%
5、 倒扣封装,产品电流均匀、散热均匀,一致性及可靠性高,且兼容市场主流产品
6、 高性价比
应用市场:

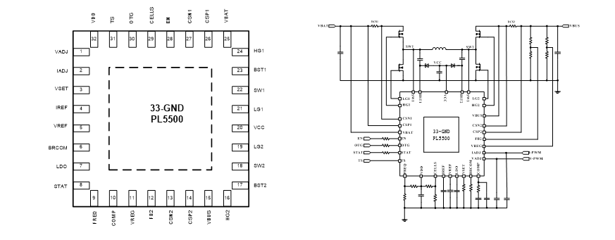
三、高效四管双向升降压系列产品
升降压系列产品采用自有专利的COT控制模式,完美解决市面上类似产品在升压、降压、升降压等不同工作状态下稳定性差的问题,内部集成5V/50mA的LDO输出,为外部MUC等部件提供稳定的供电电压,降低方案BOM成本。为Type-C PD快充等升降压应用场
合提供高效率、高性价比、外围简单、保护功能齐全的大功率应用解决方案。

产品特点:
1、 支持正向的充电和反向的放电管理
2、 3.0V-30V的超宽输入电压范围,0.8V-30V的超宽输出电压范围
3、 集成2A 10V的驱动器
4、 内部集成5V/50mA LDO
5、 开关频率可调
6、 可编程连续电流模式和轻载高效率模式
7、 输入欠压、输出过压、输出短路、过温等多种保护功能
8、 效率高达98%以上
9、 高性价比
应用市场:


编辑:admin 最后修改时间:2020-11-26


