航顺芯片HK32F030/HK32F103开发板使用说明(二)
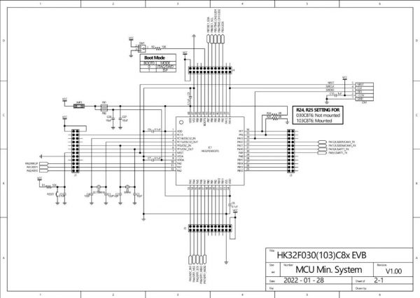
原理图:



使用注意事项:
1、调试接口是CN1
2、芯片所有的IO口都单独引出,与EEPROM、FLASH、CH340、QBD1044等外设相连的IO口在测试时需要用跳线帽短接。
3、JMP1跳线是选择芯片的工作电压是3.3V还是5V。
4、JMP2跳线是串口TX、RX的接口需要短接帽短接同时IO口、PA9、PA10也要短接串口才能收发数据。
5、JMP3跳线主控芯片HK32F030C8T6的工作电压短接帽。
6、SW1是BOOT0的电平选择,调试时接到GND,通过ISP下载时接到3.3V。
7、EEPROM对应的IO口是PB6、PB7调试时需要IO口短接。
8、LED1、LED2、LED3对应的IO口是LB5、PB4、PB3调试时需要将IO口短接。
9、RESET按键对应NRST短接后连接到复位按键。
10、按键WKUP、KEY1、KEY2对应的IO口是PA0、PA1、PA2调试时需要将IO口短接。
11、SPI FLASH的CS、SCK、MISO、MOSI对应的IO口是PB4、PB5、PB6、PB7调试时需要将IO口短接。
12、VR1电位器对应ADC的IO口是PA3调试时需要将IO口短接。
13、SW1是ISP下载BOOT选择接口。
14、SW2是USB与CAN选择接口。跳线帽短接到USB端PA11\PA12连接到USB接口,跳线帽短接到CAN端PA11\PA12连接到CAN接口。
如需要了解更多航顺MCU产品,请联系航顺核心代理商(980010600)颖特新科技,或者扫码联系我们!


编辑:zzy 最后修改时间:2022-08-12


