航顺芯片HK32F103CBT6A应用于智能赛车遥控器
简介:使用航顺芯片HK32F103CBT6A尝试开发多通道遥控器。开源协议: GPL 3.0
描述
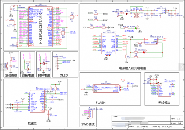
使用航顺HK32F103CBT6A制作智能赛车遥控器,此为8通道遥控器,使用远距离传输模块,能够遥控1000米以内距离。 正面充电口带有电源灯和充电指示灯,带一个RGB灯和复位开关,两侧有旋钮,2组摇杆和2组5维按键用来操作菜单,带一个12864OLED屏幕。
设计原理图

pcb

如需要了解更多航顺MCU产品,请联系航顺核心代理商,颖特新科技,或者扫码联系我们!


编辑:zzy 最后修改时间:2022-08-03


