镁光256Gb NAND Flash芯片介绍
总体概述
颖特新科技带您了解该芯片是一款典型的大容量NAND Flash存储颗粒,支持Open NAND Flash Interface (ONFI) 2.1的接口标准,采用ONFI NANDFlash的操作协议。该芯片采用Multiple-level Cell (MLC)技术,根据不同的容量,一个芯片内部封装了多个DIE(LUN),每个DIE由两个Plane构成,一个Plane可以分成2048个Block,每个Block由256页组成,一个页的大小为8KB+448B的组织结构方式。
在性能方面,一个Page页的读延迟在50us左右,页编程时间为900us,块擦除时间长达3ms。每个块的标称擦除寿命达到5000次。
芯片接口及信号
镁光的芯片支持同步和异步两种接口模式。在异步接口模式下,采用5个控制信号,分别为#CE,CLE,ALE,#WE和#RE,另外#WP用于控制芯片的写保护,R/#B用于检测芯片的当前状态。在同步操作模式下,#WR引脚为时钟输入信号,#RE信号为读写方向指示信号。
NAND Flash的接口信号具体定义如下:
一个NAND Flash物理芯片可以由多个DIE(或者称之为LUN)的单元构成,每个DIE会有一套独立的上述提及的控制信号线。一个DIE中会存在若干个Plane,每个Plane有许多Block单元组成,一个Block单元是一个最小的擦除单位,并且有数量较多的Page页构成,每次写的最小单元就是一个Page页。对于容量较小的芯片,芯片厂商只会封装一个DIE,每个DIE的内部结构如下图所示:
对于镁光512Gb芯片,一个DIE内部集成了两个Plane,通过一套控制信号线和寄存器控制内部的两个Plane同时并发工作。值得一提的是,多个DIE(LUN)可能会共享一套控制信号线,因此,在物理上多个DIE会被封装成一个Target。需要注意的是,同一个Target内部的DIE虽然共享了物理信号线,但是寄存器都是相互独立的。因此,从结构上来看,一个NAND Flash的内部架构可以只由一个DIE(LUN)构成,如下图所示:
也可以在一个芯片中集成多个DIE(LUN),每个DIE拥有一套独立的物理信号线,如下图所示:
在高密的封装中,没有那么多的物理信号线,那么同一个Target中会集成多个DIE(LUN),如果下图所示:
无论如何去封装,每个DIE(LUN)中的基本结构是相同的。
NAND Flash存储单元
NAND Flash中一个DIE(LUN)中的存储单元通常由多个Plane构成,其结构如下:
上图所示的一个Page页大小为8KB,考虑到spare area的448字节空间,因此需要14位地址访问一个page页,即地址信号的最低14位为页内地址。一个block块内部有256个page页,需要8位地址(Page address,PA)信息去访问一个block块内部的不同page页。一个Plane内部存在2048个block块,需要11位(Block address,BA)去访问一个Plane中的不同block块。一个DIE(LUN)中存在2个Plane,需要一位地址位去访问一个DIE中的不同Plane。因此,40位地址信息的定义如下表所示:
CA0~CA13为页内偏移访问地址信息,PA0~PA7为页地址信息,BA8为DIE中的Plane选择地址位,BA9~BA19为DIE中的块地址信息,另外,LA0为一个Target中的DIE(LUN)选择地址位,在该NANDFlash芯片中,一个Target中可以集成2个DIE。
在每个Plane单元中都存在两个寄存器:一个为cache寄存器;另一个为data寄存器。Cache寄存器的作用是缓存NAND Flash控制器输入的数据,而data寄存器的作用是提升数据读取和写入的性能,数据传输和数据加载之间的操作。在数据读取和数据写入的过程中,都提供了流水并发操作模式,这类模式都充分利用了这个data寄存器。
读写操作时序
镁光的NAND Flash芯片提供了两种操作模式,一种为异步操作模式;另一种为同步操作模式。异步操作是一种比较传统的接口模式,NAND Flash和控制器处于两个时钟域,所有的信号在数据传输过程中都需要进行同步操作,因此性能比较差。同步操作由外部提供参考时钟,NAND Flash和控制器处于同一个时钟域,可以获取较高的读写性能。
异步操作
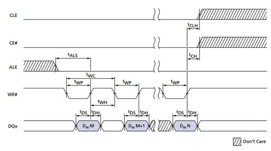
异步操作模式非常适合单片机之类的控制器对其进行操作,不需要特殊的NAND Flash控制器,普通的总线操作就可以对NAND Flash进行控制操作。异步数据写操作的时序如下图所示:
在#WE信号的驱动下,DQ总线上输入对应的数据,并且在#WE信号上升沿之后需要保持tDH时间。在#WE信号上升沿驱动下,DQ总线上的数据被锁存到NAND Flash的数据寄存器中。
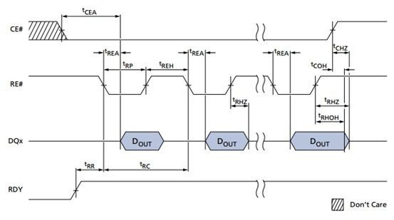
在RDY信号为高电平时,说明可以从NAND Flash指定位置中读取数据,读操作的时序如下图所示:
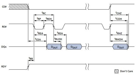
在读信号#RE的下降沿驱动下,数据从NAND Flash中输出到数据总线DQ上。NAND Flash控制器可以在#RE信号的上升沿采样数据总线DQ上的数据。当NAND Flash控制器给定的读信号频率较快时,通过#RE上升沿信号无法正确采样数据总线上的数据时,可以通过下一个#RE信号的下降沿采样总线上的输出数据。如下图所示:
因此,在异步总线操作时,需要考虑#RE读信号频率和tRC之间的时间关系。通过这个时间关系来确定具体的读数据采样方式。
想了解更多关于NANDFlach的信息请咨询华邦flash代理-深圳颖特新科技。0755-82591179

编辑:simon 最后修改时间:2019-07-07














