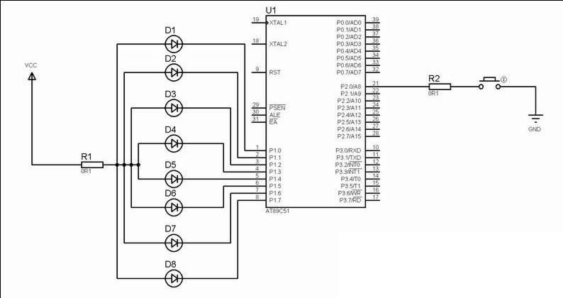
初级单片机流水灯程序

----- 主程序开始 -----
START: CLR P1.0 ;P1.0输出低电平,使LED1点亮
ACALL DELAY ;调用延时子程序
SETB P1.0 ;P1.0输出高电平,使LED1熄灭
CLR P1.1 ;P1.1输出低电平,使LED2点亮
ACALL DELAY ;调用延时子程序
SETB P1.1 ;P1.1输出高电平,使LED2熄灭
CLR P1.2 ;P1.2输出低电平,使LED3点亮
ACALL DELAY ;调用延时子程序
SETB P1.2 ;P1.2输出高电平,使LED3熄灭
CLR P1.3 ;P1.3输出低电平,使LED4点亮
ACALL DELAY ;调用延时子程序
SETB P1.3 ;P1.3输出高电平,使LED4熄灭
CLR P1.4 ;P1.4输出低电平,使LED5点亮
ACALL DELAY ;调用延时子程序
SETB P1.4 ;P1.4输出高电平,使LED5熄灭
CLR P1.5 ;P1.5输出低电平,使LED6点亮
ACALL DELAY ;调用延时子程序
SETB P1.5 ;P1.5输出高电平,使LED6熄灭
CLR P1.6 ;P1.6输出低电平,使LED7点亮
ACALL DELAY ;调用延时子程序
SETB P1.6 ;P1.6输出高电平,使LED7熄灭
CLR P1.7 ;P1.7输出低电平,使LED8点亮
ACALL DELAY ;调用延时子程序
SETB P1.7 ;P1.7输出高电平,使LED8熄灭
ACALL DELAY ;调用延时子程序
AJMP START ;8个LED流了一遍后返回到标号START处再循环
;----- 延时子程序 -----
DELAY: MOV R0,#255 ;延时一段时间
D1: MOV R1,#255
DJNZ R1,$
DJNZ R0,D1
RET ;子程序返回
END ;程序结束
扩展阅读:上拉电阻的作用【图文】

编辑:admin 最后修改时间:2018-05-22


