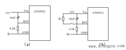
单片机的复位电路
复位是单片机的初始化操作,其主要功能是把PC初始化为0000H ,使单片机从0000H单元开始执行程序。RST是复位信号的输入端,复位信号是高电平有效,其有效时间应持续24个振荡脉冲周期(即2个机器周期)以上。
复位操作有上电自动复位和按键手动复位两种方式。
上电自动复位是通过外部复位电路的电容充电来实现的,其电路如图1(a)所示。这样,只要电源Vcc的上升时间不超过1ms,就可以实现自动上电复位,即接通电源就完成了系统的复位、初始化。
按键手动复位是通过使复位端经电阻与Vcc电源接通而实现的,它兼具上电复位功能。其电路如图1(b)所示。

图1 复位电路除对PC外,复位操作还对其它一些专用寄存器有影响,它们的复位状态如表1:

表1 特殊寄存器SFR的复位值

编辑:admin 最后修改时间:2020-04-06


