基于PIC单片机与16位串行D/A转换的原理
下面介绍了基于PIC单片机与16位串行D/A转换的原理:
1.基本原理
D/A转换器相当于一种译码电路,它将数字输入传换为模拟输出:
![]()
其中,D是数字输入,VR是模拟参考输入,Vo是模拟输出。这里模拟输出可以是电压,也可以是电流,式中 数字D是一个小于1的值。
![]()
式中an为1或0,由数字对应位的逻辑电平来决定,N是数字输入D的位数。由此(3.2)由此(3.1)
![]()
当参考电压输入TIp.固定时,转换器的模拟输出D成正比关系。对于单位数字量的变化,模拟输出是按等 幅度的阶跃量变化的。
2.原理图
(1)串行D/A转换器。
串行D/A转换器一般由数字输入、基准电压源、模拟开关、电阻或电容网络、加法电路、运算放大器、模 拟输出等组成,如图1所示,根据集成度不同D/A转换器中可能不全包括其中的部分。图2所示为这种转换器 的原理图。

图1 集成D/A转换器的组成框图

图2 串行D/A转换器
数模转换器的基本工作原理是基于权的控制,即权电压或权电流相加。D/A转换器的几种常见结构,根据加 权网络等部分实现方法的不同,常见的DAC结构有电流型、电压型、电荷型等,每一类又细分为若干小类, 接下来将分别进行介绍。 (2)权电阻型D/A转换器。
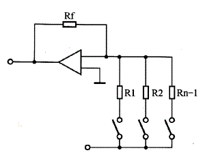
权电阻型D/A转换器的电路框图如图3所示。

图3 权电阻型D/A转换器的电路框图
权电阻型D/A转换器是实现二进制数模转换的最简单的一种网络结构。其缺点是位数增多时,电阻的取值范 围很大,如要实现8位D/A转换器,电阻比值将高达128∶1,这一比值在工艺制造上难以实现,并且该结构对 于电阻精度的苛刻要术也使得的这结构的实现更加困难。
(3)R-2R梯形电阻网络D/A转换器。
图4所示为R-2R梯形电阻网络D/A转换器的电路原理框图。

图4 R-2R梯形电阻网络D/A转换器
(4)电流衰减型D/A转换器如图5所示。

图5 电流衰减型D/A转换器
总结:以上就是基于PIC单片机与16位串行D/A转换的原理,可以广泛的运用到需要进行D/A转换的场合中。

编辑:admin 最后修改时间:2018-05-08


