16位微处理器的接口电路
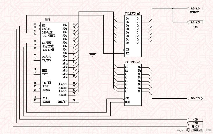
图1为准16位微处理器8088构成的系统电原理图。
图1 准16位微处理器8088构成的系统电原理图
准16位微处理器8088的地址总线为20条(A0~A19),其中A0~A7与数据信号D0~D7复用,A16~A19与状态信号S3~S6复用,需通过总线分离技术将地址信号锁存。8088的存储器寻址范围为1M,包含了程序存储器和数据存储器,由于该微处理器复位后的程序指针指向FFFF0H单元,因而程序存储器必须安排在包含该地址的存储单元中。如需较强的驱动能力,地址总线可用缓冲器74LS244驱动。
8088的数据总线为D0~D7,为增强数据总线的负载能力,可采用74LS245作为数据总线的驱动电路。使能控制端-G为数据使能控制信号DEN,当此信号=0,使74LS245处于有效状态,方向控制端DIR端为微处理器的方向控制信号DT/-R,当此信号=0时,信号从B流向A,保证了系统在读操作时数据从存储器或I/O接口送往微处理器。
8088的存储器地址信号为A0~A19,寻址范围为1M。I/O接口地址信号为A0~A15,寻址范围为64K。存储器和I/O接口的操作由控制信号IO/-M控制。
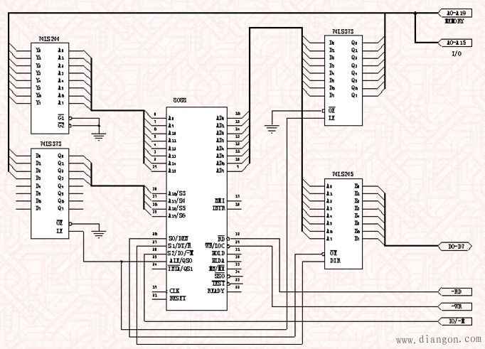
图2为16位微处理器8086构成的系统电原理图。

图2 16位微处理器8086构成的系统电原理图
与8088微处理器不同的是,8086地址总线中的A0~A15与数据信号D0~D15复用。存储器和I/O接口的操作由控制信号M/-IO控制。
对于8088微处理器由于其数据总线为8位,因而在存储器和I/O接口操作时采用了字节寻址的方法,即1M字节的存储器单元,64K字节的I/O接口。8086采用了16位的数据总线,采用字或字节访问的指令,其地址采用的仍为字节寻址。高字节与低字节的访问用A0和-BHE信号控制,操作地址的作用如表1 所示。在字节访问时,偶数地址访问的是低8位的数据线,用地址信号A0=0控制,奇数地址访问的是高8位的数据线,用控制信号-BHE=0控制。在字访问时,如地址为偶数,一次访问高、低字节,A0和-BHE同时为0,如地址为奇数,分为高字节和低字节两次访问。
表1 地址操作
| -BHE | A0 | 操 作 | 数据总线 |
| 0 | 0 | 从偶数地址开始访问一个字 | D0~D15 |
| 1 | 0 | 从偶数地址访问一个字节 | D0~D7 |
| 0 | 1 | 从奇数地址访问一个字节 | D8~D15 |
0 1 | 1 0 | 从奇数地址开始访问一个字先访问高8位,再访问低8位 | D8~D15 D0~D7 |

编辑:admin 最后修改时间:2018-05-08


